Miniature SIP Relays

9011, 9012 & 9117/H Miniature Molded SIP Reed Relays

These compact versions of Coto’s standard 9000 SIPs use significantly less board space. In addition to small size, key benefits are high-reliability and long life. Now – high-power 9117H version available!

The 9011, 9012 & 9117/H are compact versions of Coto’s standard 9000 SIPs, with the 9011 and 9117/H using 65% less board space and the 9012 using 47% less board space (LxW). These miniature SIP relays are ideal for use in ATE applications and other high reliability test, measurement and telecommunications applications where high board density and long life are key requirements.

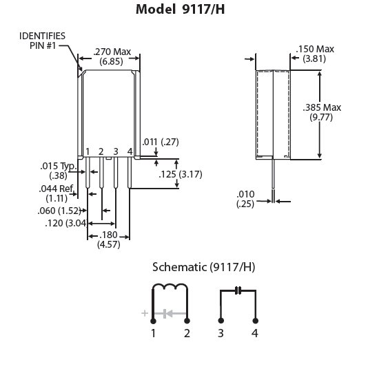
  • 9117/H is the smallest 3W SIP relay (.270” x .150” x .385”) in 3W & 10W versions
  • 9012 is a 10W SIP relay (.400” x .150” x .400”)
  • 9011 is a 3W SIP relay (.400” x .150” x .265”)
  • Magnetic shielding to reduce interaction
  • Optional coil suppression diode – protects coil drive circuits
  • UL File #E67117 - Contact factory for details
  • High insulation resistance 1012Ω minimum
  • High reliability, hermetically sealed contacts for long life
  • High speed switching as compared to electromechanical relays
  • Molded thermoset body on integral lead frame design
  • RoHS compliant

Applications

  • Automatic Test Equipment (ATE)
  • Instrumentation
  • Telecommunications

3D Layout Models

9011

9012

9117

Product Notes

1Consult factory for life expectancy at other switching loads. Resistance >0.5Ω defines end of life or failure to open.
2Optional diode available. For models 9011 & 9012, the diode is connected to pin #2 (cathode) and pin #3 (anode). For models 9117 & 9117H, the diode is connected to pin #1 (cathode) and pin #2 (anode). Correct coil polarity must be observed.
3Relays have a magnetic shield; external for models 9011, 9117 & 9117H, internal for model 9012.
4Part number 9117-05-XXH is the high power, high reliability version of our traditional 9117 series.

Environmental Ratings

Storage Temp: -35°C to +100°C; Operating Temp: -20°C to +85°C.
All electrical parameters measured at 25°C unless otherwise specified.
Vibration: 20 G’s to 2000 Hz; Shock: 50 G’s

Coto Technology